Industria CAD

Colaboramos con usted en cada etapa del proyecto o desarrollo de productos, aplicando tecnología de vanguardia y experiencia multidisciplinaria para entregar soluciones eficientes y de alta calidad.

Producto:

Industria CAD

Acompañamos cada etapa de su proyecto con una visión multidisciplinaria y tecnología de vanguardia para garantizar eficiencia técnica y operativa.

01

Fase del Diseño de Ingeniería:

Conceptualización y viabilidad técnica.

02

Evaluación Integral:

Desarrollo de la Evaluación tecnica y Económica del proyecto.

03

Entrenamiento:

Programas Especializado y Personalizado para incrementar el conocimiento en CAD en 2D y 3D.

04

Planos

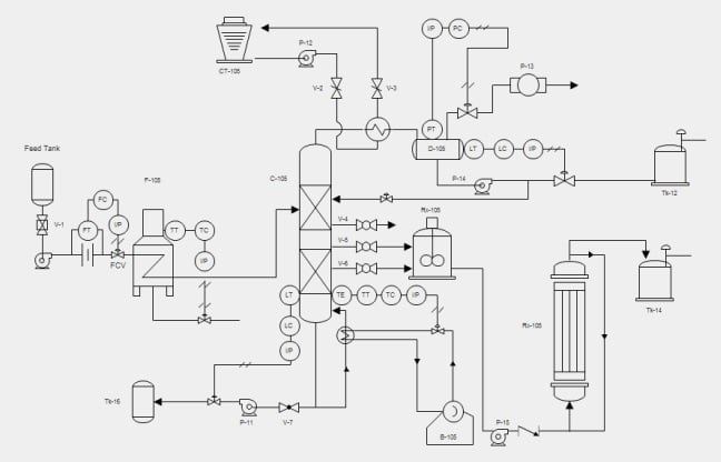
Levantamiento de piezas, plantas, fluidos y diagramas con tecnología CAD.

05

Animaciones 3D

soluciones visuales mediante animaciones 3D.

06

ImageMeter 

Entrenamiento e Implementación en Oficinas del Software "ImageMeter", como apartir de una fotografía puedes obtener todas las dimensiones para tu proyecto.

07

"Ingenio360: Visual Plant Intelligence"

Una plataforma de hardware (camaras 360) y software que permite a ingenieros, supervisores, mantenedores, vendedores y gerentes de planta crear un "Street View" privado e industrial de sus instalaciones.

Servicios:

Ingeniería


"Diseño de Maquinaría, Ingeniería Mecánica, Piping, Obras Civiles, Desarrollo de Caldereria, Disposiciones Generales de Maquinaría, Analisis de Esfuerzos de Piezas, Desarrollo de Productos, y Desarrollo de Ingenieria Conceptual, Básica & Detalle."

Servicios:

Evaluación 


"Desarrollo de la Evaluación técnica de las opciones del diseño selecionado y la ejecución de la estimación de costos considerando las diferentes disciplinas del proyecto, con los respectivos flujos para el cálculo de los indicadores de evaluación del proyecto.

Servicios:

Planos


"Especialistas en levantamiento de piezas mecánicas, piezas y conjuntos de maquinaría, situación actuales en plantas,  líneas de piping, proyectos Inmobiliarios. Todo esto mediante el desarrollo de diseños Preliminares, Conceptuales, Básicos y Detalles."

Servicios:

Animaciones 3D


"Transformamos la complejidad industrial en soluciones visuales mediante animaciones 3D para entrenamiento especializado, videos de seguridad ocupacional y contenido promocional de ingeniería."

Servicios:

Entrenamiento


"Capacitación Especializado y personalizada en herramientas de diseño 2D y 3D para optimizar la visualización técnica y la precisión en sus proyectos de ingeniería."

Servicios:

ImageMeter


Entrenamiento e Implementación en Oficinas del Software "ImageMeter",  como apartir de una fotografía puedes obtener todas las dimensiones para tu proyecto.

- Toma fotos, añade medidas y notas.
- Captura Medidas con una sola Fotografía.
- Conéctate con tu láser Bluetooth.
- Sincroniza tu Celular y procesa en tu PC.
- Comparte imágenes y colabor.a
- Exporta informes y hojas de cálculo en PDF.

Servicios:

"Ingenio360: Visual Plant Intelligence"


Una plataforma de hardware (camaras 360) y software que permite a ingenieros, supervisores, mantenedores, vendedores y gerentes de planta crear un "Street View" privado e industrial de sus instalaciones. No solo almacena fotos, sino que las imágenes 360° en un lienzo de datos vivos para el seguimiento de obras, mantenimiento, implementación de metodologias lean, obras de insfraestructuras, etc..

Contactos: 

+56 9 8918 15 80

Chile

Industria CAD

Industria CAD es un producto de la Empresa: SOLUCIONES INTEGRALES DE INGENIERÍA SPA

© Copyright 2026 - Pedro Matus # 944 - Rancagua - Todos los Derechos Reservados.